Kabelboom maken & TomosOnderdelenZeeland

Onderstaand diverse bestanden van diverse kabelbomen verschillend van model.

Tomos Kabelboom Maken

Een correcte kabelboom is essentieel voor een betrouwbare elektrische installatie van je Tomos-bromfiets. Op deze pagina kun je verschillende kabelboom schema’s en downloadbestanden vinden,  per model,  zodat je zelf een passende kabelboom kunt samenstellen.

Is de kabelboom van je Tomos defect, beschadigd of onbruikbaar? Bij TomosOnderdelenZeeland kun je een hoogwaardige, op maat gemaakte kabelboom laten maken of maak de kabelboom zelf. Wij bieden versie-opties voor verschillende modellen, in kleur of zwart/wit, compleet met aansluitingen.

Heb je jouw model niet gevonden? Neem gerust contact met ons op en vermeld het type Tomos bromfiets; wij helpen je verder.

1.

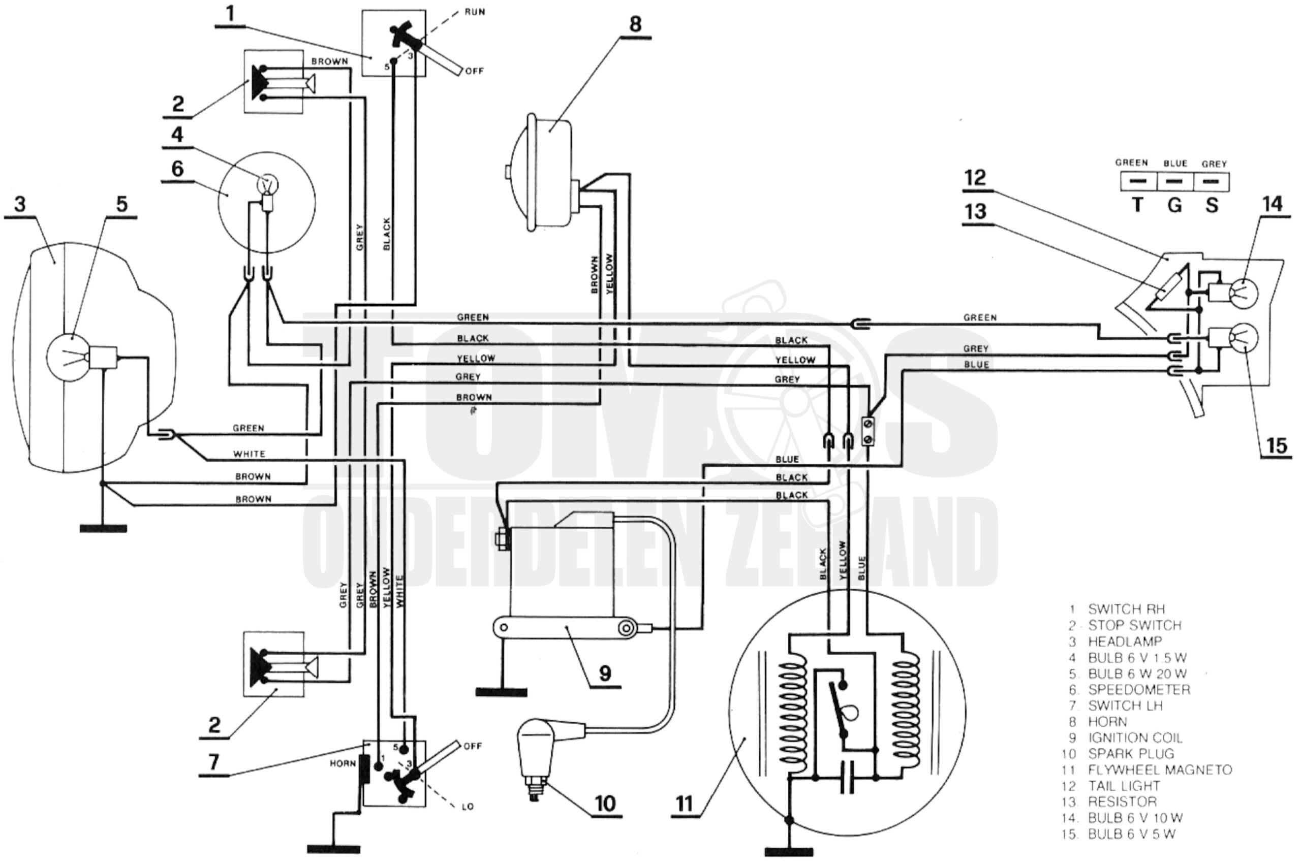
Tomos Kabelboom S25 / A3 Standaard model kleur

2.

Tomos Kabelboom S25 / A3 / A35 Standaard model zwart/wit

3.

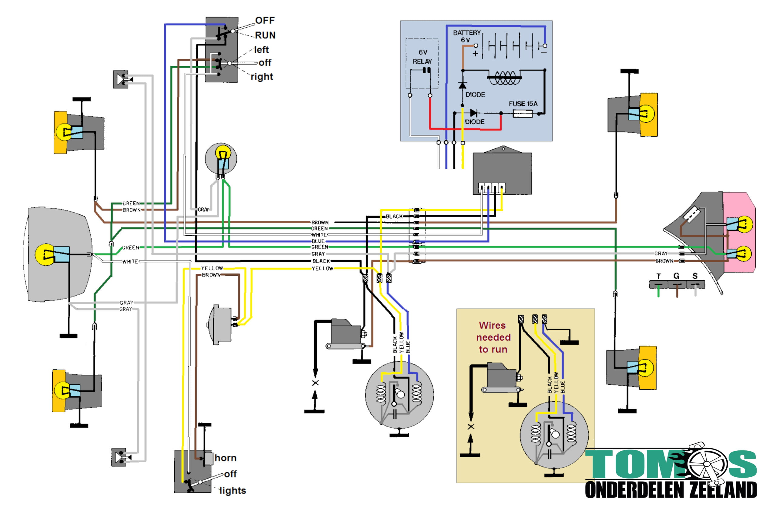
Tomos Kabelboom S25 / A3 / A35 Volledige model zwart/wit

4.

Tomos Kabelboom A3 / A35 Standaard model kleur

5.

Tomos Kabelboom A35 / A52 / A55 Volledige model kleur

6.

Tomos Kabelboom A55 Standaard model kleur

7.

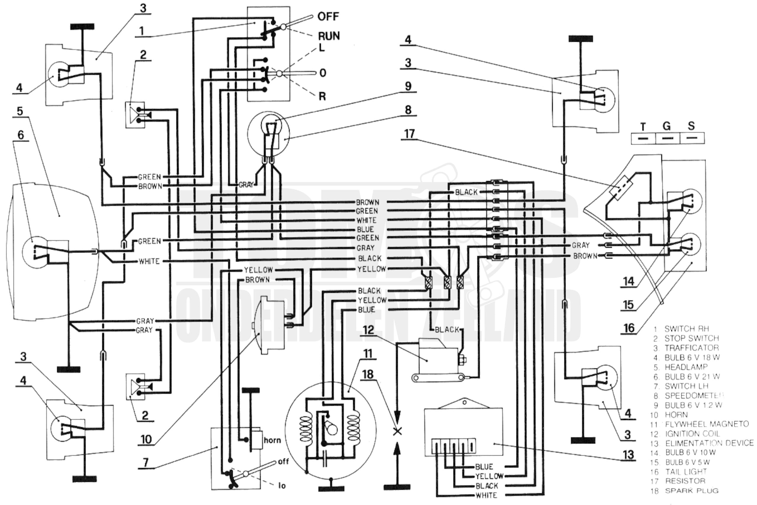
Tomos Kabelboom A55 Volledige model kleur

Hoe gebruik je deze schema’s?

Stap 1: Identificeer jouw model

Controleer welk Tomos-type je hebt (bijvoorbeeld S25, A3, A35, A55) en of je een “standaard” of “volledig” kabelboom nodig hebt.

Stap 2: Download het bestand

Klik op de link bij jouw model om het schema te downloaden. Dit bestand bevat een visuele weergave van alle verbindingen, componenten en draadkleuren.

Stap 3: Volg kleurcodes & aansluitingen

Gebruik de kleurcodering om de juiste draden te verbinden met lampen, richtingaanwijzers, bobine, ontsteking, accubekabels, massa’s, etc.

Stap 4: Controle & testen

Voordat je de kabelboom definitief installeert, controleer je met een multimeter of alle verbindingen kloppen. Test verlichting, richtingaanwijzers, claxon en andere elektrische componenten.

Waarom kiezen voor onze schema’s?

  • Model-specifiek – voor S25, A3, A35, A55 en varianten
  • Duidelijke kleurcodes – handig bij zelf samenstellen
  • Gratis downloads – direct beschikbaar
  • Ondersteuning op maat – vragen? Wij helpen je verder
  • Gerichte service – wij zijn gespecialiseerd in Tomos-onderdelen en elektrotechniek

Veelgestelde vragen (FAQ)

Waarom staat mijn Tomos-model er niet tussen?
Laat ons jouw type weten, we kunnen vaak een vergelijkbaar schema verstrekken op basis van bouwjaar of serienummer.

Kan ik meer dan één schema combineren?
Ja, maar volg altijd één compleet schema als leidraad. Zorg dat je weet welke componenten jouw bromfiets heeft (bijv. knipperlichten, extra verlichting).

Wat moet ik doen als de kleurcode afwijkt?
Soms gebruiken vooraf gemonteerde kabels andere kleuren. In dat geval kun je de draden identificeren aan de hand van de functie (bijv. positief, massa) met een multimeter.

Heb je hulp nodig?

Lukt het niet om de juiste kabelboom te vinden of snap je de aansluitingen niet? Stuur ons een bericht met je Tomos-model, bouwjaar en eventueel een foto van je huidige bedrading. We staan voor je klaar om je verder te helpen!

Contactgegevens

Heeft u toch nog vragen? neem gerust contact via onze contactpagina.

Heb je hulp nodig?

Wij doen ons uiterste best voor u als klant. Daar hoort bij dat u ons eenvoudig kunt contacteren. Mocht u vragen hebben over het een of ander dan kunt u ons bereiken middels de volgende gegevens:
  • 085-0045764
  • 085-0045764
  • info@tomosonderdelenzeeland.nl